loading
Zona Industrial Paidong Qiligang, Ciudad de Yueqing, Provincia de Zhejiang, China.
Zona Industrial Paidong Qiligang, Ciudad de Yueqing, Provincia de Zhejiang, China.
Shopping Cart
  • No products in the cart.
  • Post Image
    13 May, 2022
    Posted by elcb_admin
    0 comment

    ¿Cómo conectar un disyuntor en miniatura (MCB) para DC 12-1000V?

    • ¿Qué es el interruptor de circuito de miniatura de corriente continua (MCB)?
    • ¿Cómo conectar correctamente un MCB de DC?
    • ¿Qué es un sistema de energía solar?

    ¿Qué es el interruptor de circuito minúsculo de corriente continua (MCB)?

    Las funciones del MCB de CC y del MCB de CA son las mismas. Ambos protegen aparatos eléctricos y otros equipos de carga de problemas de sobrecarga y cortocircuitos, y protegen la seguridad del circuito. pero los escenarios de uso del MCB de CA y del MCB de CC son diferentes.

    Generalmente, depende de si el voltaje utilizado es un estado de corriente alterna o un estado de corriente continua. La mayoría de los MCB de CC se utilizan en algunos sistemas de corriente continua como la energía nueva, la energía solar fotovoltaica, etc. Los estados de voltaje del MCB de CC generalmente van desde 12V CC hasta 1000V CC.

    La diferencia entre el MCB de CA y el MCB de CC se basa únicamente en parámetros físicos; el MCB de CA tiene etiquetas de los terminales como CARGA y LÍNEA, mientras que el MCB de CC tendrá un signo positivo (+) o negativo (-) en sus terminales.

    ¿Cómo conectar correctamente el MCB de CC?

    Debido a que el MCB de CC tiene una marca de símbolos ‘+’ y ‘-’, a menudo es fácil conectarlo incorrectamente. Si el interruptor de circuito minúsculo de corriente continua se conecta o enlaza incorrectamente, pueden ocurrir problemas.

    En caso de sobrecarga o cortocircuito, el MCB no podrá cortar la corriente y apagar el arco, lo que puede llevar a que el interruptor se queme.

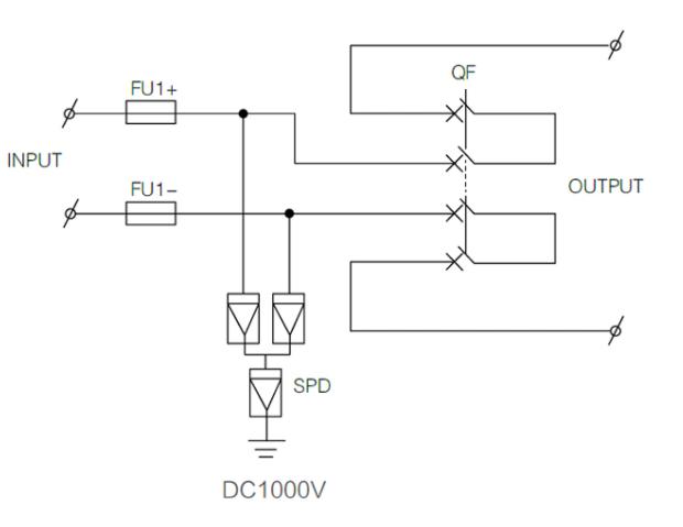
    Por lo tanto, el MCB de CC tiene una marca de símbolos ‘+’ y ‘-’, pero aún necesita marcar la dirección del circuito y los diagramas de conexión, como se muestra a continuación:

    2P 550V DC MCB
    connect 2P 550V DC MCB correctly
    4P 1000V DC MCB
    connect 4P 1000V DC MCB correctly

    Según el diagrama de conexión, el MCB de CC 2P tiene dos métodos de conexión: uno es que la parte superior está conectada a los polos positivo y negativo, el otro método es que la parte inferior está conectada a los polos positivo y negativo según la marca de ‘+’ y ‘-’. Para el MCB de CC 4P de 1000V, hay tres métodos de conexión; según diferentes estados de uso, se debe elegir el diagrama de conexión correspondiente para conectar los cables.

    ¿Qué es un sistema de energía solar?
    ¿Cómo funciona un sistema de energía solar?
    ¿Cómo construir una caja combinada solar?

    El sistema de energía solar, también conocido como sistema fotovoltaico (PV), es una forma de energía que convierte la luz del sol en electricidad para el uso diario humano. Consiste en uno o más paneles solares, inversores y otros dispositivos eléctricos y hardware mecánico que utiliza la salida de energía solar de corriente directa a corriente alterna para generar electricidad.

    Los sistemas de energía solar varían desde pequeños sistemas en techos o portátiles, sistemas integrados en la construcción hasta grandes plantas de energía a gran escala, el tamaño del sistema de energía solar puede variar mucho, desde unos pocos hasta severales decenas de kilovatios.

    La radiación luminosa proveniente del sol cae sobre el panel solar y genera una cierta corriente directa a través del proceso de efecto fotovoltáico.

    Cada panel solar individual genera menos energía, pero se puede conectar con otros paneles solares en paralelo o en serie para generar más energía como una matriz solar.

    ¿Cómo funciona el sistema de energía solar?

    La electricidad generada por los paneles solares se presenta en forma de corriente directa (CD). Podemos almacenar parte de la energía solar a través de baterías, lo que puede ser suministrado a algunas áreas remotas sin sistemas de distribución de energía.

    A través de las cajas de distribución de corriente continua solar, la energía puede ser distribuida a algunos equipos electrónicos que utilizan directamente la corriente directa.

    Pero incluso si hay muchos dispositivos electrónicos que utilizan corriente directa, incluyendo tu teléfono móvil o portátil, están diseñados para funcionar en una red de servicios que proporciona (y requiere) corriente alterna (CA).

    Por lo tanto, para hacer que la energía solar sea útil en nuestra vida diaria, necesitamos utilizar un inversor para convertirla de corriente directa a corriente alterna. La energía CA del inversor puede entonces ser utilizada para alimentar equipos eléctricos locales o enviada a la red para su uso en otros lugares.

    ¿Cómo construir una caja combinada solar?

    Una caja combinada solar general, también llamada caja combinada fotovoltaica, de acuerdo con los requisitos de configuración de uso de potencia diferente, el rango de corriente va desde 10A hasta 800A, y la tensión de corriente directa va desde 24V DC hasta 1500V DC.

    Las tensiónes comunes están divididas principalmente en 550V DC y 1000V DC. Para cajas combinadas solares con corrientes superiores a 125A, se deben seleccionar MCB de CA (interruptor de caja moldeada) de 125A a 800A. Para corrientes inferiores a 125A, se seleccionan MCB de CC (interruptor de circuito minúsculo) de 6 a 125A para interruptores de circuito de corriente directa.

    Además del interruptor de circuito de CD, la caja combinada solar también necesita estar equipada con soportes de fusible de CD, SPD de CD (dispositivo de protección contra sobresaltos) de acuerdo con los requisitos de protección contra sobrecargas y protección contra rayos distintos.

    Nuestra caja combinada fotovoltaica común es adecuada para la potencia de entrada máxima del inversor de 550V DC / 1000V DC.

    La caja combinada solar TOSSD-PV está hecha de material plástico de alto rendimiento de IP66, que es resistente al agua, inamovible, resistente al aumento de temperatura, anti-impacto y anti-ultravioleta. Es muy adecuada para la instalación de distribución de energía del sistema de potencia de CD de energía solar al aire libre.

    TOSM8DC 250A DC MCCB
    TOMS8DC 250A DC 250V MCCB
    TOWFH1DC-30-FUSE
    TOWFH1DC-30 DC 1000V Fuse Holder
    TOMC7-63 40A 2P DC Circuit Breaker MCB
    TOMC7-63DC DC 550V MCB
    DC Electrical Surge Protector SPD TOWSP-DC2/2/C40 For House
    TOWSP-DC2/2/C40 DC 1000V SPD

    TOSSD-PV1-1-T DC 1000V Caja combinada solar.

    TOSSD-PV1-1-T DC 1000V solar combiner box

    TOSSD-PV1-1-F-DC-500V-solar-combiner-box1

    TOSSD-PV1-1-T DC 1000V Caja combinada solar.

     TOSSD-PV1-1-T DC 1000V solar combiner box

    Modelo.TOSSD-PV1-1TOSSD-PV2-1TOSSD-PV4-1TOSSD-PV4-2
    Parámetros eléctricos.
    Tensión DC máxima del sistema.5501000550100055010005501000
    Corriente de entrada máxima por canal.20A20A20A20A
    Número máximo de canales de entrada.1244
    Corriente de conmutación de salida máxima.16A/20A20A/32A50A/63A20A/32A
    Número de MPPT del inversor.1112
    Número de salidas.1112
    Surge lightning protection
    Clase.T2T2T2T2
    Corriente de descarga nominal.20kA20kA20kA20kA
    Corriente de descarga máxima.40kA40kA40kA40kA
    Nivel de protección de voltaje.2.8kV3.8kV2.8kV3.8kV2.8kV3.8kV2.8kV3.8kV
    Tensión de trabajo continua máxima.630V1050V630V1050V630V1050V630V1050V
    Pola2P3P2P3P2P3P2P3P
    Características estructurales.Módulo enchufable.Módulo enchufable.Módulo enchufable.Módulo enchufable.
    sistema
    Nivel de protección.IP66
    Interruptor de salida.Interruptor de circuito de corriente directa (estándar) / Interruptor de aislamiento rotativo de corriente directa (opcional).
    Conector TOWMC4 impermeable.Estándar.
    Fusible de corriente directa para energía solar.Estándar.
    Protección contra sobresaltos de corriente directa para energía solar.Estándar.
    Módulo de monitoreo.N
    Diaodo antiinversión.N
    Material de la caja.PVC
    Método de instalación.Montaje en pared superficial.
    Temperatura de funcionamiento.-25℃~+55℃
    Altitud.2000 M
    Humedad relativa permitida.0~95%,Sin condensación.

     

      Open chat
      Hello
      Can we help you?