loading
Paidong Industrial Zone Qiligang,Yueqing City,Zhejiang province,China.
Paidong Industrial Zone Qiligang,Yueqing City,Zhejiang province,China.
Shopping Cart
  • No products in the cart.
  • The Ultimate Guide to Safe 220V Smart Switches for Split-Phase Grids

    If you’re searching for ‘why my smart switch keeps failing’ or ‘smart switch not working on 220v’, you’ve likely encountered a fundamental compatibility issue. This isn’t just about a defective product; it’s about a product designed for the wrong electrical system. This guide is for electrical professionals and distributors in the Philippines, Brazil, and across Latin America who need a safe and reliable smart switch for split-phase applications.

    Understanding the 220V Split-Phase (L-L) System

    Split_phase

    To solve the problem, we must first understand the fundamental difference in how “220V” is delivered.

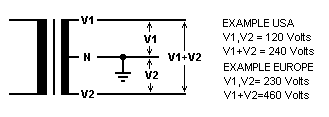
    What is a Split-Phase System? A Quick Refresher

    Globally, there are two primary ways to achieve a ~220V supply.

    Standard L-N System (Common in Europe/Asia): Power is delivered via one 220V/230V “live” or “hot” wire (L) and one neutral wire (N). The voltage is measured between the live and neutral wires.

    Split-Phase L-L System (Common in the US, Philippines, Brazil, etc.): The system supplies two 110V/120V live wires (L1 and L2) and a neutral (N). While the voltage between either L1 or L2 and Neutral is 110V, the voltage between L1 and L2 is 220V. High-power appliances are connected directly across these two live wires.

    The Hidden Danger: Why Single-Pole Switching is Unsafe

    The critical danger arises when a standard smart switch, designed for an L-N system, is used on an L-L circuit. These switches typically use a single-pole relay, meaning they only interrupt one of the incoming lines (e.g., L1).

    When this happens:

    The appliance is not fully de-energized. The second live wire (L2) is still connected, creating a serious shock hazard for anyone attempting to service the equipment.

    Sensitive electronics may be damaged or fail to operate correctly because they are not truly “off.”

    It is a direct violation of safe electrical practices.

    What This Means for Importers and Distributors

    Understanding this technical nuance isn’t just an academic exercise; it’s critical for your bottom line and brand reputation. Supplying standard L-N smart switches to a split-phase market leads to predictable and costly business problems:

    • High Product Return Rates: Customers will report that devices flicker, fail prematurely, or simply don’t work.

    • Customer Dissatisfaction & Reputation Damage: Your brand becomes associated with unreliable and unsafe products.

    • Significant Liability Risks: You could be held responsible for property damage or injury caused by electrically incompatible equipment.

    Your customers don’t just need a smart switch; they need a solution designed for their grid.

    Why Most Smart Switches Are a Liability for Your Market

    For B2B importers and distributors, understanding this technical nuance is crucial for business success.

    The Design Flaw: Built for L-N, Not L-L

    The vast majority of smart home products on the global market are engineered for the more common L-N system. Their internal architecture is simply not equipped to safely manage two live conductors. Importing these products into a split-phase market is a recipe for failure.

    The Consequences of Importing the Wrong Technology

    Supplying products that are fundamentally incompatible with your region’s electrical grid will lead to predictable and costly problems:

    High Product Return Rates: Customers will report that the devices don’t work correctly or fail prematurely.

    Customer Dissatisfaction & Reputation Damage: Your brand will become associated with unreliable or unsafe products.

    Significant Liability Risks: You could be held liable for property damage or injury caused by providing unsafe equipment.

    Your customers need a solution they can trust. They need a device engineered for their specific environment.

    The Solution: A True Double-Pole Smart Switch for L-L Systems

    This is where a purpose-built double pole smart switch becomes a game-changer. Devices like the TONGOU TOVMT-2P are engineered from the ground up to solve the challenges of split-phase systems.

    True Dual Disconnection: The Core of Its Design

    The key to safety and reliability lies in its double-pole relay. Unlike a standard switch, it physically and simultaneously disconnects both live wires (L1 and L2).

    To ensure maximum durability under heavy loads, this device utilizes a high-performance relay from HONGFA, a global leader in relay technology known for components that offer high durability and over 100,000 mechanical operations. For distributors, this means fewer failures and a stronger brand reputation.

    This design guarantees:

    • Complete Power Isolation: The appliance is fully and safely de-energized.

    • Eliminated Shock Hazard: It removes the risk for anyone servicing equipment.

    • Guaranteed Compatibility: It works flawlessly on any 220V L-L circuit.

    Beyond Switching: A Complete Protection & Management Hub

    This device offers far more than safe switching, providing immense value for your customers and multiple selling points for you:

    • Engineered for Global Voltage Fluctuations: Its robust, wide-voltage power supply (100-240V) ensures reliable operation even in regions with unstable grids, preventing failures due to voltage sags or surges.

    • Over/Under Voltage Protection: Protects connected water heaters, air conditioners, and other sensitive equipment from grid instability.

    • Over Current Protection: Features 16A adjustable protection. (A 63A version for industrial applications is under development; contact us for details).

    • Smart Energy Monitoring: A powerful value-add that allows end-users to track consumption, identify energy-hungry appliances, and save on electricity bills.

    • Smart Control (Tuya/Smart Life): Leverages a globally recognized platform for easy integration and a user-friendly experience.

    Common Applications for a 220V Double-Pole Smart Switch

    This switch is ideal for controlling high-power appliances typically found on split-phase circuits:

    Smart Switch for Water Heater: Safely control and schedule your electric shower or storage heater.

    Smart Switch for Air Conditioner: Manage your AC unit remotely and monitor its energy consumption.

    Smart Switch for Pool Pumps: Automate and protect your pool pump system.

    Smart Switch for Industrial Equipment: Control motors, compressors, and other machinery safely.

    A Reliable Solution for Your Market

    We are seeking professional partners to bring this unique, problem-solving product to markets with split-phase electrical systems.

    For Importers and Distributors: Tired of complaints and returns on incompatible smart switches? Stocking a true double-pole solution provides your market with a certified, safe, and reliable answer to a widespread problem. Contact us today for wholesale pricing, OEM/ODM options, and to become a leading supplier in your region.

    Send your requirements

      Success in the smart home market depends on providing solutions that are not just feature-rich, but fundamentally safe and compatible with the local infrastructure. Standard smart switches represent a significant risk in 220V split-phase regions.

      The TONGOU TOVMT-2P, with its true dual-disconnect design and integrated protection features, is the definitive engineering-grade solution. We invite you to partner with us to deliver this superior technology to your market and build a reputation for quality and reliability.

      Johnson Lim

      Johnson Lim

      Johnson Lim is the General Manager of Changyou Technology and has over 10 years of experience in circuit protection technology and residential electrical safety. He is committed to developing and producing safer and smarter electrical products.

      IFA TONGOU 2025

      IFA 2025 TONGOU

      Meet Tongou at IFA Berlin 📅 Date: September 5-9, 2025 📍 Venue: Messe Berlin, Germany 📌 Booth: Hall 1.2, Booth 119 Send request Closed the

      Read More »

      Table of Contents

      Open chat
      Hello
      Can we help you?