
10 Errori Comuni nel Fai-da-Te con il Quadro Elettrico (e Come Risolverli in Sicurezza)
10 Errori Comuni nel Quadro Elettrico (e Come Risolverli in Sicurezza) Lavorare all’interno del quadro elettrico di casa — il vero cuore del vostro impianto
Se stai cercando “perché il mio interruttore smart continua a bruciarsi” o “smart switch non funziona a 220V”, hai probabilmente incappato in un problema di compatibilità fondamentale. Non si tratta solo di un prodotto difettoso, ma di un prodotto progettato per un sistema elettrico diverso. Questa guida è per professionisti e distributori elettrici nelle Filippine, in Brasile e in tutta l’America Latina che necessitano di un interruttore smart sicuro e affidabile per applicazioni split-phase.
Per risolvere il problema, dobbiamo prima comprendere la differenza fondamentale nel modo in cui viene erogato il “220V”.
A livello globale esistono due modi principali per ottenere un’alimentazione a ~220V.
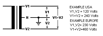
Sistema standard L-N (comune in Europa/Asia):l’energia arriva tramite un conduttore di fase a 220V/230V (L) e un neutro (N). La tensione si misura tra fase e neutro.
Sistema split-phase L-L (comune in USA, Filippine, Brasile ecc.):il sistema fornisce due conduttori di fase a 110V/120V (L1 e L2) e un neutro (N). La tensione tra ciascuna fase e il neutro è 110V, mentre la tensionetra L1 e L2 è 220V. Gli elettrodomestici ad alta potenza sono collegati direttamente tra i due conduttori di fase.
Il pericolo critico nasce quando un interruttore smart standard, progettato per sistema L-N, viene usato su un circuito L-L. Questi interruttori utilizzano di solito un relè unipolare, interrompendo quindisolouno dei conduttori di ingresso (es. L1).
Quando ciò accade:
L’apparecchio non risulta completamente disinserito.Il secondo conduttore di fase (L2) resta collegato, creando un grave rischio di scossa per chiunque tenti di manutenere l’apparecchio.
Dispositivi elettronici sensibili possono danneggiarsio non funzionare correttamente perché non sono realmente “spenti”.
È una violazione diretta delle norme di sicurezza elettrica.
Comprendere questa sfumatura tecnica non è solo un esercizio accademico; è fondamentale per il vostro margine e per la reputazione del marchio. Fornire degli interruttori smart L-N standard a un mercato split-phase genera prevedibili e costosi problemi commerciali:
Elevati tassi di reso: i clienti segnaleranno che i dispositivi sfarfallano, si guastano prematuramente o non funzionano affatto.
Insoddisfazione del cliente e danno all’immagine: il vostro marchio verrà associato a prodotti inaffidabili e non sicuri.
Significativi rischi di responsabilità: potreste essere ritenuti responsabili di danni a cose o persone causati da apparecchiature elettricamente incompatibili.
I vostri clienti non hanno solo bisogno di un interruttore smart; hanno bisogno di una soluzione progettata per la loro rete.
Per importatori e distributori B2B, comprendere questa sfumatura tecnica è cruciale per il successo commerciale.
La stragrande maggioranza dei prodotti smart home sul mercato globale è progettata per il più comune sistema L-N. La loro architettura interna non è assolutamente in grado di gestire in sicurezza due conduttori di fase. Importare questi prodotti in un mercato split-phase è una ricetta per il fallimento.
Fornire prodotti fondamentalmente incompatibili con la rete elettrica locale comporta problemi prevedibili e costosi:
Tassi alti di reso:i clienti segnaleranno malfunzionamenti o guasti precoci.
Insoddisfazione e danno alla reputazione:il vostro marchio verrà associato a prodotti inaffidabili o non sicuri.
Significativi rischi di responsabilità:potreste essere ritenuti responsabili di danni a cose o persone causati da apparecchiature non sicure.
I vostri clienti hanno bisogno di una soluzione affidabile, progettata specificamente per il loro ambiente.
È qui che un interruttore smart bipolare progettato appositamente diventa un punto di svolta. Dispositivi come il TONGOU TOVMT-2P sono concepiti fin dal principio per affrontare le sfide dei sistemi split-phase.
La chiave di sicurezza e affidabilità risiede nel suo relè bipolare. A differenza di un interruttore standard, interrompe fisicamente e contemporaneamente entrambi i conduttori di fase (L1 e L2).
Per garantire la massima durata sotto carichi elevati, il dispositivo impiega un relè ad alte prestazioni di HONGFA, leader mondiale nella tecnologia dei relè, noto per componenti con elevata durata e oltre 100.000 operazioni meccaniche. Per i distributori, questo si traduce in meno guasti e una reputazione di marchio più solida.
Questo design garantisce:
Isolamento completo dell’alimentazione: l’apparecchio viene disinserito in modo totale e sicuro.
Rischio di scossa eliminato: si rimuove il pericolo per chiunque effettui manutenzione sull’apparecchio.
Compatibilità garantita: funziona perfettamente su qualsiasi circuito 220V L-L.
Questo dispositivo offre molto più di una semplice commutazione sicura, fornendo un enorme valore ai vostri clienti e numerosi punti di vendita per voi:
Progettato per le fluttuazioni di tensione globali: il suo robusto alimentatore a tensione variabile (100-240V) garantisce un funzionamento affidabile anche in regioni con rete instabile, prevenendo guasti dovuti a cali o picchi di tensione.
Protezione da sovratensione/sottotensione: protegge scaldabagni, condizionatori e altre apparecchiature sensibili dalle instabilità della rete.
Protezione da sovracorrente: include protezione regolabile a 16A. (Una versione da 63A per applicazioni industriali è in sviluppo; contattateci per dettagli).
Monitoraggio energetico smart: un valore aggiunto potente che permette agli utenti finali di tracciare i consumi, identificare gli apparecchi energivori e risparmiare sulla bolletta.
Controllo smart (Tuya/Smart Life): sfrutta una piattaforma riconosciuta a livello globale per un’integrazione semplice e un’esperienza utente intuitiva.
Questo interruttore è ideale per comandare apparecchi ad alta potenza tipicamente collegati a circuiti split-phase:
Interruttore smart per scaldabagno: controlla e programma in sicurezza la doccia elettrica o lo scaldacqua a accumulo.
Interruttore smart per condizionatore: gestisci l’unità AC da remoto e monitora i suoi consumi energetici.
Interruttore smart per pompe di piscina: automatizza e proteggi il sistema della pompa.
Interruttore smart per apparecchi industriali: controlla in sicurezza motori, compressori e altre macchine.
Cerchiamo partner professionali per portare questo prodotto unico e risolutivo nei mercati con sistemi elettrici split-phase.
Per importatori e distributori: stanchi di reclami e resi su interruttori smart incompatibili? Avere a stock una vera soluzione bipolare offre al vostro mercato una risposta certificata, sicura e affidabile a un problema diffuso. Contattateci oggi per prezzi all’ingrosso, opzioni OEM/ODM e per diventare fornitori leader nella vostra regione.
Il successo nel mercato smart home dipende dal fornire soluzioni non solo ricche di funzioni, ma fondamentalmente sicure e compatibili con l’infrastruttura locale. Gli interruttori smart standard rappresentano un rischio significativo nelle regioni con split-phase a 220V.
Il TONGOU TOVMT-2P, con il suo vero design a doppia disconnessione e le funzioni di protezione integrate, è la soluzione ingegneristica definitiva. Vi invitiamo a collaborare con noi per portare questa tecnologia superiore nel vostro mercato e costruire una reputazione di qualità e affidabilità.
Johnson Lim è il General Manager di Changyou Technology e vanta oltre 10 anni di esperienza nella tecnologia di protezione dei circuiti e nella sicurezza elettrica residenziale. È impegnato nello sviluppo e nella produzione di prodotti elettrici più sicuri e intelligenti.

10 Errori Comuni nel Quadro Elettrico (e Come Risolverli in Sicurezza) Lavorare all’interno del quadro elettrico di casa — il vero cuore del vostro impianto

Tuya Smart Life vs eWeLink App: Cos’è un Dispositivo Intelligente Tuya e Quale Piattaforma Smart Home Si Adatta Meglio a Te? Se stai preparando la

La Guida Definitiva ai Pannelli Intelligenti: Semplifica la Tua Casa Intelligente con un Hub Centrale Sei stanco di dover usare una dozzina di app diverse

Gateway 4G LTE Industriale con Failover Ethernet | Tongou TOGW-LTNA2 Sei un integratore di sistemi o un facility manager che lotta con una connettività di
Tongou è stato fondato nel 1993 ed è il marchio di Changyou Technology. Ci posizioniamo come fornitori di soluzioni di prodotti intelligenti per sistemi elettrici ad alta e bassa tensione, assumendoci la responsabilità di risolvere le pressioni e le sfide dei clienti e creando valore per loro. Utilizziamo prodotti intelligenti per servire clienti globali, rendendo la vita più intelligente e conveniente per il beneficio della tua vita.
Zona Industriale Paidong, Qiligang, Città di Yueqing, Provincia dello Zhejiang, Cina.
Sales: [email protected]
After-sales: [email protected]
© 2024 Changyou Technology. All Rights Reserved.